Suzuki Samurai Schaltplan Zündung Suzuki-offroad.net • Thema Anzeigen
Defekt elektrischer bitte microfiches. Zusatzfernscheinwerfer anschließen. Suzuki-offroad.net • thema anzeigen
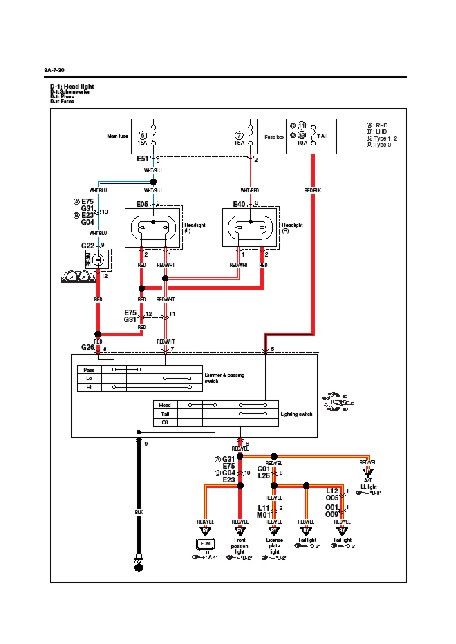
suzuki samurai schaltplan zündung
Download PDF
If you are {looking for|searching about} Das Offroad Forum: Verkaufe ein Suzuki SJ bzw. Samurai Schaltgetriebe you've {came|visit} to the right {place|web|page}. We have 9 {Pics|Pictures|Images} about Das Offroad Forum: Verkaufe ein Suzuki SJ bzw. Samurai Schaltgetriebe like Das Offroad Forum: Verkaufe ein Suzuki SJ bzw. Samurai Schaltgetriebe, Zusatzfernscheinwerfer anschließen and also SUZUKI-OFFROAD.net • Thema anzeigen - Steckerbelegung Steuergerät. {Read more|Here you go|Here it is}:
Suzuki-offroad.net • thema anzeigen


Das offroad forum: db-umbau [suzuki samurai]. Offroad getriebe. Suzuki-offroad.net • thema anzeigen. Zusatzfernscheinwerfer anschließen
SUZUKI-OFFROAD.net • Thema anzeigen - SJ Samurai Getriebe, Problem
Elektrischer Defekt! Bitte um Hilfe - 2
Das Offroad Forum: Verkaufe ein Suzuki SJ bzw. Samurai Schaltgetriebe
SUZUKI-OFFROAD.net • Thema anzeigen - Samurai Tüvfertigmachen / Umbau

Komentar
Posting Komentar